TZD系列振动电机
产品简介
TZD系列振动电机是在双轴伸的转子轴两端各安装一组可调偏心块,利用偏心块旋转产生的离心力得到激振力。振动电机的激振力大、能耗小噪声低、寿命长。它不仅可用于各种料仓、料斗、溜槽的仓壁振动,以防止物料滞留,促使物料快速运动,还是自同步直线振动筛、振动给料机、振动输送机等各种振动机械的激振源,是冶金、矿山、煤炭、建材、化工等行业的理想设备,有广泛的应用范围。
技术参数

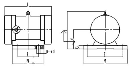
型号 | 激振力 (KN) | 功率 (KW) | 电流 (A) | 主要尺寸结构(mm) | 重量 (kg) |
L | H | A | B | C | D | E | F | HI | <P | h | \1 |
TZD-U-2 | 1.5 | 0.15 | 0.38 | 300 | 203 | 150 | 210 | 135 | ISO | 100 | 70 | 32 | 93 | 30 | 10 | 19 |
TZD-12-2 | 2.5 | 0.25 | 0.58 | 328 | 193 | 173 | 220 | 150 | 130 | 122 | 70 | 32 | 110 | 25 | 12 | 24 |
TZD-21-2 | 5 | 0.4 | 1.15 | 362 | 216 | 208 | 270 | 176 | 220 | 142 | 90 | 91 | 143 | 35 | 14 | 37 |
TZD-31-2 | 8 | 0.75 | 1.84 | 427 | 301 | 247 | 292 | 179 | 236 | 121 | 160 | 142 | 173 | 30 | IS | 53 |
TZD-41-2 | 16 | 1.5 | 3.48 | 470 | 301 | 267 | 292 | 224 | 270 | 141 | 160 | 142 | 173 | 30 | IS | 75 |
TZD-12-4 | 2.5 | 0.1 | 1.15 | 333 | 216 | 208 | 270 | 150 | 130 | 142 | 90 | 91 | 173 | 35 | 14 | 43 |
TZD-21-4 | 5 | 0.2 | 1.34 | 440 | 301 | 247 | 292 | 176 | 220 | 121 | 160 | 142 | 213 | 30 | IS | 61 |
TZD-31-4 | S | 0.4 | 2.3 | 440 | 301 | 247 | 292 | 179 | 236 | 121 | 160 | 142 | 213 | 30 | IS | 75 |
TZD-41-4 | 16 | 0.75 | 1.8 | 450 | 300 | 240 | 330 | 224 | 270 | 90 | 170 | 135 | 260 | 25 | 27 | 107 |
TZD-51-4 | 32 | 1.5 | 7.4 | 560 | 425 | 306 | 400 | 230 | 340 | 100 | 136 | 195 | 376 | 35 | 30 | 16S |
TZD-61-4 | 50 | 2.2 | 11 | 670 | 512 | 400 | 540 | 222 | 390 | 170 | 240 | 240 | 455 | 37 | 36 | 180 |
TZD-21-6 | 5 | 0.75 | 1.84 | 490 | 301 | 247 | 292 | 176 | 220 | 121 | 160 | 142 | 213 | 30 | IS | 43 |
TZD-31-6 | 10 | 0.75 | 2.1 | 450 | 300 | 240 | 330 | 179 | 236 | 90 | 170 | 135 | 260 | 25 | 27 | 80 |
TZD-41-6 | 20 | 1.5 | 5.75 | 560 | 425 | 306 | 400 | 224 | 270 | 172 | 136 | 195 | 376 | 35 | 30 | 142 |
TZD-51-6 | 30 | 2.2 | 5.5 | 650 | 400 | 310 | 420 | 230 | 340 | 100 | 260 | 190 | 363 | 30 | 30 | 130 |
TZD-61-6 | 50 | 3.7 | 9.1 | 710 | 455 | 350 | 430 | 222 | 390 | 94 | 2270 | 225 | 380 | 35 | 36 | 200 |
TZD-71-6 | 75 | 5.5 | 12.35 | 780 | 502 | 400 | 520 | 248 | 440 | 170 | 360 | 240 | 466 | 50 | 36 | 370 |